コンテンツへスキップ
ナビゲーションに移動
橋梁用TSステンレス排水装置のトーカイスパイラルです。1基、1本から提案・作図・製作を行っております。
サイトマップ
0587-53-1545
メール/お問合せ
0587-53-1545
営業時間 平日 8:30~17:30
お問い合わせ
ホーム
TOPページ
TSステンレス排水装置
橋梁用ステンレス排水装置
① TSステンレス排水桝
①-A. TSDR-RCF「ナオシマス」
①-A1. TSDR-RCF_C(Circle)「ナオシマス○丸」
①-A2. TSDR-RCF_S(Square)「ナオシマス□角」
①-A3. TSDR-RCF_SL(Square-Lite)「ナオシマス□角 Lite」
①-Ab. ボルトレス開閉式排水桝
①-B. ホロー・スラブ橋/角管
①-B1.地覆部 横引(貫通)管製品事例
①-B2. 間詰部・排水桝 仕様製品事例
①-B3.補修 排水桝 排水管 製品事例
①-B4.補修 天板プレート一体型排水装置 事例
①-B5. 各種現場写真はこちら
①-C. 自動車専用道/大型の仕様
①-D. 歩道/横断歩道橋/樋等
①-E. 補修 床版貫通管、桝/嵩上
①-F. ご活用事例のご紹介
①-G. その他製作 設置例
①-H. 補修図参考/オプション
② TS排水管 補修向け
②-A. 天板プレート
②-B. TSあとからフレキ
②-C. 補修排水管・金具
③ TS排水装置 特徴/ご提案
③-A. 仕様、比較、実績等
③-B. ステンレスについて
③-C. ご提案例
③-D. ギャラリー
④ CADデータ ダウンロード
④-A. 排水桝 ①グレーチング
④-B. 排水桝 ②SUS目皿
④-C. 排水桝 ③ナオシマス
④-D. 排水管 ①
④-E. 天板プレート ①
④-F. 排水桝 カタログ掲載図
◆サブサイト 製品設置写真
円筒型枠
円筒とスパイラル鋼管
ダクト メンテナンス
局所排気装置の清掃
会社概要
会社概要、メールフォーム
アクセス
お問い合わせ
CAD・カタログ
ダウンロード
カタログ、CAD図等
製品/設置写真検索
設置写真をご覧頂けます
メディア
HOME
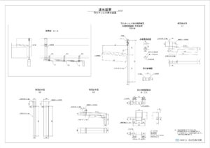
2D-TSDR-MH+TS-PIPEK
2D-TSDR-MH+TS-PIPEK
2D-TSDR-MH+TS-PIPEK
2025年6月24日
最終更新日時 :
2025年6月24日
トーカイスパイラル
MENU
ホーム
TSステンレス排水装置
① TSステンレス排水桝
①-A. TSDR-RCF「ナオシマス」
①-A1. TSDR-RCF_C(Circle)「ナオシマス○丸」
①-A2. TSDR-RCF_S(Square)「ナオシマス□角」
①-A3. TSDR-RCF_SL(Square-Lite)「ナオシマス□角 Lite」
①-Ab. ボルトレス開閉式排水桝
①-B. ホロー・スラブ橋/角管
①-B1.地覆部 横引(貫通)管製品事例
①-B2. 間詰部・排水桝 仕様製品事例
①-B3.補修 排水桝 排水管 製品事例
①-B4.補修 天板プレート一体型排水装置 事例
①-B5. 各種現場写真はこちら
①-C. 自動車専用道/大型の仕様
①-D. 歩道/横断歩道橋/樋等
①-E. 補修 床版貫通管、桝/嵩上
①-F. ご活用事例のご紹介
①-G. その他製作 設置例
①-H. 補修図参考/オプション
② TS排水管 補修向け
②-A. 天板プレート
②-B. TSあとからフレキ
②-C. 補修排水管・金具
③ TS排水装置 特徴/ご提案
③-A. 仕様、比較、実績等
③-B. ステンレスについて
③-C. ご提案例
③-D. ギャラリー
④ CADデータ ダウンロード
④-A. 排水桝 ①グレーチング
④-B. 排水桝 ②SUS目皿
④-C. 排水桝 ③ナオシマス
④-D. 排水管 ①
④-E. 天板プレート ①
④-F. 排水桝 カタログ掲載図
◆サブサイト 製品設置写真
円筒型枠
ダクト メンテナンス
会社概要
アクセス
お問い合わせ
CAD・カタログ
ダウンロード
製品/設置写真検索
HOME
排水装置
ダウンロード
写真サイト
mail@tospa.jp
0587-53-1545
PAGE TOP